Электронно-коммутируемые (EC) вентиляторы
В списке опций к прецизионным кондиционерам можно встретить строчку “электронно-коммутируемые вентиляторы“. Что это такое? Зачем их использовать? Какие плюсы и минусы?
Технология EC-вентиляторов
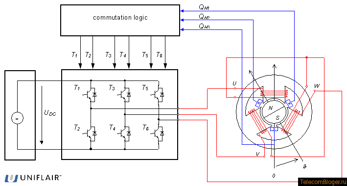
Итак, начнем с принципиальной разницы. Двигатель EC-вентиляторов, в отличие от обычных, построен на новой современной бесщеточной технологии. Магнитное поле образуется благодаря присутствию постоянного магнита, а коммутация осуществляется за счет транзистора (см. рисунок ниже). Тем самым достигается электронная коммутация и отсутствие механических коммутируемых элементов.
Особенно следует отметить, что электронная коммутация, в отличие от механической, свободна от движущихся частей и не вызывает их износа, а также происходит без разрывов и более гладко. В отличие от асинхронных двигателей, ЕС-двигатели являются синхронными, а потому для них характерно отсутствие проскальзывания магнитного поля, приводящего к дополнительным потерям энергии.
Всё вышесказанное объясняет более высокую эффективность EC-вентиляторов в сравнении с вентиляторами с другими типами двигателей:
Более того, при регулировании производительности вентиляторов ни один метод регулирования, будь то трансформатор или даже преобразователь частоты, не может соперничать с результатами EC-вентиляторов:
Новый тип коммутации накладывает отпечаток и на кривую вращательного момента (основную характеристику любого двигателя):
Кроме того, EC-вентиляторы способны изменять свою производительность в широком диапазоне. Это особенно важно в процессе наращивания мощности ЦОД. Управление производительностью вентилятора осуществляется через сигнал 0-10В от кондиционера и может отслеживаться диспетчером через порт кондиционера (обычно RS 485).
Отсюда же следует плавный выход на режим, без пусковых токов. Время выхода, как и в обычных вентиляторах, составляет порядка 2 секунд и не имеет скачков, что является дополнительным плюсом и для системы бесперебойного питания (ИБП “не любят” резкие скачки силы тока).
Плюсы EC-вентиляторов
- долговечность (как правило, до 60000ч при температуре ниже 40°C и до 80000ч при температуре ниже 10°C; у обычных вентиляторов — 40000-50000ч),
- повышенный КПД за счет
- возможность плавного пуска и, соответственно, отсутствие высоких пусковых токов,
- широкий диапазон рабочего напряжения питания:
- от 100 до 130В для однофазной сети 110В (от 100 до 117В для обычных вентиляторов),
- от 200 до 277В для однофазной сети 220В (от 200 до 234В для обычных вентиляторов),
- от 380 до 480В для трехфазной сети 400В (от 380 до 424В для обычных вентиляторов)
- приспосабливаемость к реальным условиям работы за счет изменения рабочих параметров управляющим микропроцессором,
- многими производителями указывается возможность взаимосвязи EC-вентиляторов с другими элементами инженерии ЦОД (вентиляторы соседних кондиционеров, модули активного пола и др.).
Рекламные хитрости
Бесспорно, EC-вентиляторы реализуют экономию электроэнергии системы кондиционирования, но в целях рекламы часто указываются огромные проценты экономии (вплоть до 70%) и далеко не всегда указываются условия их достижения.
Главной хитростью является то, с чем сравнивают достигаемую экономию и, соответственно, относительно какого номинала рассчитывают процентные соотношения. Ведь сомнительно, что применение новых вентиляторов снизит энергопотребление всей системы кондиционирования сразу на 70%!
Итак, в ряде случаев пишется, что преимущества EC-вентиляторов особенно важны в водяных (CW) кондиционерах. Возникает вопрос, чем же CW-блоки “лучше” DX-блоков прямого расширения? Ответ прост: энергопотребление DX-блока велико по сравнению с CW-блоком, так как в первом присутствует компрессор, а во втором его нет (он в чиллере).
Например, энергопотребление DX-блока мощностью 60кВт составляет около 18кВт, а CW-блока — около 4кВт. Достигаемая экономия от использования EC-вентиляторов (около 2кВт) в первом случае составит скучные 11%, в то время как во втором более презентабельные 50%!
Второй хитростью является объявление широкого диапазона рабочего напряжения питания EC-вентиляторов в качестве защиты от низкого качества сетей электроснабжения. Но заметим (см. выше), что нижний порог напряжения питания не изменился (те же 100В, 200В и 380В), а вырос только верхний порог, в то время как наиболее частой проблемой электросетей является именно пониженное напряжение. Следовательно, расширенный диапазон напряжения питания в действительности большой выгоды не несёт.
В целом же можно признать следующие объективные и честные факты:
- EC-вентиляторы позволяют экономить до 3кВт мощности вентилятора шкафного прецизионного кондиционера,
- Экономия в определенных условиях (в зависимости от тепловой нагрузки на блок, чем она ниже, тем выше экономия) может достигать 70%, но по отношению к мощности аналогичного не-EC-вентилятора; чаще же составляет 20-30%.
Автор: Хомутский Юрий





Техника сравнивания с ОБЫЧНЫМИ вещами распространяется всё шире :)))
Повышенный КПД за счет пониженного шума? Это шутка?
Скорее местами поменяли причину и следствие
grey72
А вы хотите это оспорить? Неужели шум — это полезная трата энергии?
Само собой, энергия шума жуть как мала, но она есть.
Skip
Ну, КПД — это всё-таки следствие.